在线咨询

关闭客服

嗨!~欢迎与我交谈

咨询电话13848189096

  

888电子集团app

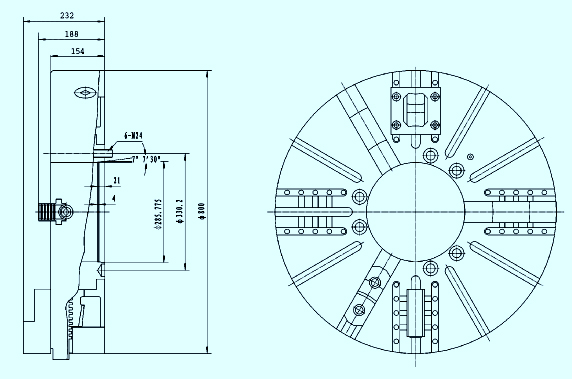
■特点:
☆短圆锥连接。
☆三爪自定心,四爪单动。
☆适用于轴类或异形零件。
■Specificity:
☆Short-taper mounting.
☆Three-jaw self-centring,four-jaw independent.
☆Suitable for machining shaft or special shapes workpiece.
 

 

金 经 理:13848189096(微信同号)
联系电话:0471-5278253    
Q    Q:1531797536
邮  箱:[email protected]
地  址:呼市回民区西二环金海机电城5A-17
邮  编:010050

 

友情链接: