在线咨询

关闭客服

嗨!~欢迎与我交谈

咨询电话13848189096

  
888电子集团app
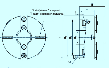
■特点:
☆短圆柱连接形式。
☆卡爪为分离爪,其中顶爪为软顶爪。
☆可提供各种形式的卡爪。
☆适用于各种异形工件加工,如管件、矩形截面零件和不规则形体零件等。
■Specificity:
☆Short cylindrical center mounting.
☆The jaws are two-piece jaws and the top jaws are soft ones.
☆All kinds of jaws can be provided.
☆Suitable for processing all kinds of special components  ,such as pipe casting ,rectangular components  and components in special shape ,etc. 
2 页  12
 

金 经 理:13848189096(微信同号)
联系电话:0471-5278253    
Q    Q:1531797536
邮  箱:[email protected]
地  址:呼市回民区西二环金海机电城5A-17
邮  编:010050

 

友情链接: