在线咨询

关闭客服

嗨!~欢迎与我交谈

咨询电话13848189096

  

888电子集团app

■特点:
☆高速不通孔缸, 与动力卡盘、弹簧夹头或其它动力夹具配套使用。
☆是数控车床理想的动力源。
■Specificity:
☆This series is high-speed ,non-through-hole pneumatic cylinders, it is suitable for using with power chucks and spring clips or the othe power clamping fixtures.
☆It is the ideal power source for the CNC lathes.
 

产品详情

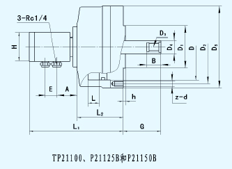
■尺寸参数 Dimension Parameters
规格
Size
D
D1
D2
D3
D4
D5
B
h
H
G
L1
L2
A
E
z-d
max
min
TP21100
100
70
85
M16
26
125
30
5
56
35
20
139
72
30
13
6-M8
P21125B
125
110
130
M20
36
150
32
6
56
50.5
27
189
95
39
15
6-M12
P21150B
150
95
160
M20
30
185
32
5
65
51.5
26.5
198
104
39
15
4-M12
P21200B
200
95
160
M24
36
232
40
6
65
60
30
198
104
39
15
8-M12
P21250B
250
160
200
M24
36
283
40
6
65
80
45
203
109
39
15
12-M12

■性能参数 Characteristic Parameters
规格
Size
活塞有效面积㎝2
Piston effective area
活塞行程Lmax
Piston stroke
最大使用压力Mpa
Max. acting pressure
极限转速r/min
Max. speed
最大推拉力kN
Max. draw pull
净重Kg
Net WT
TP21100
73
15
0.8
5000
5.2
3.5
P21125B
115
23.5
0.8
4000
8
6.5
P21150B
169
25
0.8
4000
12
9
P21200B
303
30
0.8
3000
21
18
P21250B
480
35
0.8
2500
34
35

 
 

金 经 理:13848189096(微信同号)
联系电话:0471-5278253    
Q    Q:1531797536
邮  箱:[email protected]
地  址:呼市回民区西二环金海机电城5A-17
邮  编:010050

 

友情链接: