
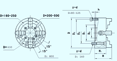
■特点:
☆短圆柱连接形式。
☆单动可调,适用各种形状工件的加工。
☆按盘体材质分:灰铸铁(K72),钢盘体(K72(G)。
■Specificity:
☆K72 chucks adopt short cylindrical center mounting.
☆Independent and adjustable , suitable for machining all kinds of special-shaped workpieces.
☆The body materials are classified as gray cast iron (K72) and steel (K72(G)).
共 3 页 123下一页 |